

昨年末、スリランカに落ちた隕石の中から見つかった藻類のようなものは、明らかに地球由来のものとは異なっており、地球の原始生命は宇宙から飛来したとするパンスペルミア説の明らかな証拠だと、宇宙生物学者らは主張している。
関連記事:ロシアの巨大隕石の空中爆発はUFOが空中で撃墜していた可能性!?(チェリャビンスク)
2012年12月29日、スリランカ中部のポロンナルワ上空で隕石が炸裂し、火花を放つ熱い破片が降り注いだ。目撃者によるとタールやアスファルトの強いにおいがしたという。その後、地元の警察がおびただしい数の石を集め、コロンボにある医学研究所に送った。石の内部に興味深い特徴が見られたので、イギリスのカーディフ大学でさらに分析が進められた。
>
関連記事:宇宙人に狙われた家?集中的に隕石が落ちる家、6回目の隕石襲来で専門家が調査を始める(セルビア)
その結果、石には化石状になった生物の痕跡が含まれているという事実が判明した。地球の生物が混入した可能性はほとんどないという。カーディフ大学のジェイミー・ウォリスらは、現場から採取した628個の石のうち、隕石の可能性のある3つを調べ、すぐに特異な性質があることがわかった。それらはまず、よく知られている炭素質隕石よりも密度が低かった。外側には部分的に高温で溶けた証拠がみられ、炭素の含有量は4%、普通の隕石にはない高い分子量をもつ有機化合物を含んでいた。

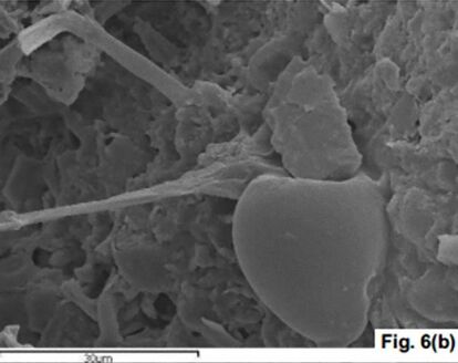
これらの事実から、ウォリスらはこの隕石はもとは小さな彗星だったのではないかと考えている。もっとも驚くべき発見は、電子顕微鏡で隕石を見た時だ。それは複雑な厚い壁のようなものをもつ、炭素が豊富な100マイクロメートルほどの微化石で、絶滅したと言われている海の渦鞭毛藻類に似ているという。別の電子顕微鏡写真では、直径2マイクロメートル、長さ100マイクロメートルの鞭毛がはっきり見えた。地球的な基準からすると、極端に長くて薄い。ウォレスらはこの生き物が低重力、低気圧の環境で暮らしていた証拠ではないかと説明している。

石のさまざまな構成成分量を調べると、特に窒素レベルが低いことから、現在地球に存在する有機物が混入した可能性は除外できるという。一連の証拠から、ポロンナルワの隕石内部に残されたものは、古代の絶滅した海草の名残で、後から混入したものではないことは明らかだという。
関連記事:オーパーツ伝説、インド・スリランカを結ぶ伝説の陸橋「アダムの橋(Adam’s Bridge)」
確かに説得力はあるが、この手の説は必ず議論を呼ぶ。石が落雷によってできたものかもしれないという反論に対して、ウォリスらは「隕石が落ちたときに落雷があった証拠はなく、雷による通常の特徴も見られない。もし雷によるものならば、生じた熱によって生物学的な痕跡は破壊されてしまうだろう。」と反論した。

原文翻訳:konohazuku[http://konohazuku99.cocolog-nifty.com/blog/]
とはいえ、この説を決定づける動かぬ証拠が求められ、さらに別の科学界で研究を掘り下げる必要が出てきた。この説が正しいとすれば、この石はどこからやってきたのかという疑問が浮かぶ。化石化した生物の存在が、30年以上前に提唱された彗星パンスペルミア説を裏付ける動かぬ証拠としてつきつけられていると、ウォレスたちは言う。
もちろん、他の説もある。「これらの石はもともと地球のものだった」というもので、長い歴史において何度も小惑星が地球に衝突しているため、そのとき砕けて生じた何億という石の中に生物の痕跡が閉じ込められた結果だろうという考え方だ。また、それは生き物ではなく、別のものだという説もある。いずれにしても、より研究を進めれば、ウォレスたちの説は広く認められるようになるだろう。わくわくするような時代が待っているかもしれない。



コメント